A Heizkraft Compact 2 hydrobox egy hidraulikus modul,
a levegő-víz hőszivattyús rendszerek belső egysége. Kifejezetten a hőszivattyún alapuló fűtési rendszerekben való használatra tervezték. Kompakt felépítésében minden lényeges hidraulikus elem integrálva van.
A Hydrobox Heizkraft Compact2
– lemezes hőcserélővel (1,6 m²),
– 3-utas motoros szeleppel,
– 2 keringető szivattyúval,
– 10 literes tágulási tartállyal,
– segéd elektromos fűtéssel (~3 kW),
– elektromos panellel és
– egyéb szükséges alkatrészekkel rendelkezik.
Hidrobox a kivitelezési munka egyszerűsítésére!
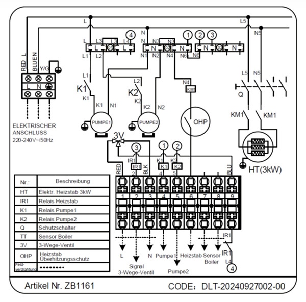
| Heizkraft Compact2 hidraulikus egység |
| 1 db Rozsdamentes acél lemezes hőcserélő 1,6 m² |
| 1 db 3-utas motoros szelep (230V) Danfoss |
| 2 db nagy hatékonyságú keringető szivattyú 4,2 m³/h |
| 2 db automatikus légtelenítő az ellenálláson és a hőcserélőn |
| 1 db tágulási tartály 10 literes glikol kör |
| 1 db biztonsági szelep, 3 bar glikol kör |
| 1 db nyomásmérő 1 – 6 bar glikol kör |
| 1 db elektromos fűtőbetét 3 kW, 230 V Alacsony hőmérsékletnél támogatás |
| 1 db elektromos panel biztosítékok és relék |
| 1 db fali rögzítőrendszer A csomag tartalma |
| A hidraulikus modul méretei 538 x 319 x 730 mm |
| Teljes tömeg 45 kg. |
A szabványos G1″ csatlakozóknak és a kis méreteknek (kb. 538 × 319 × 730 mm) köszönhetően a Hydrobox Heizkraft Compact2 ideális egység korlátozott alapterületű műszaki helyiségekbe. Vagy azoknak a felhasználóknak, akik modern és rendezett telepítésre vágynak. A készülék falra szerelhető, beltéren, és levegő-víz hőszivattyúkhoz való csatlakoztatásra szolgál. Inverteres vagy Be/Ki kapcsolóval, biztosítva a hőközeg elosztását a fűtőkörökhöz (padló, radiátorok) vagy a használati melegvíz előállításához. (ACM)
A Heizkraft Compact2 modul egy komplett megoldás a levegő-víz hőszivattyúk fűtési-hűtési és használati melegvíz-előkészítő rendszerbe való integrálására. A kompakt kialakításnak és az előre összeszerelt alkatrészeknek köszönhetően a telepítés gyors, biztonságos és tiszta, jelentősen csökkentve az összeszerelési időt és a hibák kockázatát.
A modul csendes és megbízható működésre lett tervezve, az alkatrészek ergonomikus elrendezésének köszönhetően minimális karbantartást igényel. Itt találja a Chofu hőszivattyúk teljes kínálatát.
A hidrobox felszerelése
Az egység felszerelési helyét gondosan kell megválasztani, hogy a tartószerkezet elbírja a berendezés teljes súlyát, deformáció, rezgések vagy rezonanciák kockázata nélkül, amelyek felerősíthetik az üzemi zajt.
A telepítés előtt ajánlott a rögzítő alaplapot a szerelőfalhoz rögzíteni, hogy megkönnyítse a hőszivattyú előremenő és visszatérő csöveinek, valamint a hőközlő anyag fűtési körökbe (padló vagy radiátorok) történő elosztására szolgáló csövek csatlakoztatását.
Szigorúan tilos a modult olyan helyiségekbe telepíteni, ahol korrozív gázok, túlzott por, sós köd, füst, valamint gyúlékony vagy robbanásveszélyes anyagok lehetnek jelen, mivel ezek befolyásolhatják a berendezés biztonságát és tartósságát. A telepítési helynek könnyű hozzáférést kell biztosítania a hidraulikus és elektromos csatlakozásokhoz, valamint elegendő helyet kell biztosítania az egység időszakos karbantartásához és ellenőrzéséhez.
A beltéri egységet a padlószinttől 1,5 m és 1,8 m közötti magasságban kell telepíteni, hogy biztosítsa az optimális csatlakozást a kültéri egységhez és a könnyű kezelhetőséget a szervizelési beavatkozások során. Biztonsági okokból a telepítési területnek gyermekek számára hozzáférhetetlennek kell lennie, és védeni kell az esetleges mechanikai sérülésektől.
Fűtés és melegvíz (HMV) Modell: Cikkszám: ZB1161
1 Hőszivattyú
2 Rezgéscsillapítás
3 Elzáró golyóscsapok
4 Y típusú vízszűrő
5 Hidrobox
6 Térfogatnövelő tartály
7 Padlófűtés szelep
8 Padlófűtés vagy fan coil egység
9 Elektromos fűtőpatron (opció)
10 Melegvíz-érzékelő
11 Visszacsapó szelep
12 Biztonsági szelep
Ez a vázlat egy modern, levegő-víz hőszivattyús fűtési és melegvíz-készítő rendszer felépítését mutatja.
Hogy köznyelven is érthető legyen, képzelje el ezt a rendszert úgy, mint egy okos „szív-érrendszert” a háza számára, ahol a hőszivattyú a szív, a víz a vér, a csövek az erek, a Hydrobox pedig az agy, ami irányítja, hova menjen az energia.
A rendszer működése egyszerűsítve, lépésről lépésre:
1. A hőforrás: a kültéri egység (1 monoblokk hőszivattyú)
Ez a nagy doboz a házon kívül (hasonlít egy klímára) a hőszivattyú.
Ez a rendszer „motorja”. Még a hideg téli levegőből is képes hőt kivonni (mint egy kifordított hűtőszekrény). Ezt az ingyenes energiát használja fel arra, hogy felmelegítse a benne keringő vizet.
2. A karmester: a Hydrobox (5-ös jelölés)
Ez a beltéri egység, a rendszer központja.
Ez a doboz tartalmazza a szivattyúkat, tágulási tartályt, váltószelepet és az elektronikát. Ő dönti el, hogy a kint megtermelt melegvizet éppen hova kell küldeni. Két fő iránya van:
Fűteni a szobákat, vagy
Meleg vizet készíteni a fürdéshez.
3. A két működési üzemmód
A. Fűtés üzemmód (amikor hideg van a házban)
A Hydrobox érzékeli, hogy hűl a lakás.
A meleg víz elindul a kültéri egységből a Hydroboxba.
A Hydrobox átpumpálja a vizet a padlófűtés csöveibe vagy a fan-coilokba (8-as jelölés).
A rendszerben található egy kis tartály (6-os jelölés, térfogatnövelő puffer). Ennek a szerepe olyan, mint egy kis „elem” vagy lendkerék: segít, hogy a rendszerben mindig legyen elég víz, így a hőszivattyúnak nem kell percenként ki-be kapcsolgatnia, ami kíméli a gépet.
B. HMV (használati melegvíz) készítés (amikor fürdeni szeretnénk)
A Hydrobox érzékeli, hogy a nagy hőcserélős HMV tartályban (bojler) lehűlt a víz.
A rendszer „váltót állít”: ideiglenesen leállítja a lakás fűtését (ez pár perc, nem vesszük észre).
A forró vizet nem a padlóba, hanem a nagy HMV tartályba vezeti.
Ebben a tartályban van egy csőkígyó (hőcserélő), ami átadja a hőt a tartályban lévő csapvíznek, így lesz meleg vize a zuhanyzáshoz.
Miért jó ez a megoldás?
Hatékonyság: A Hydrobox (5) mindent egy helyen kezel („Plug & Play”), nem kell a szerelőnek a falon külön szivattyúkat és szelepeket összeépítenie, így kisebb a hiba esélye, és gyorsabb a munka.
Energiatakarékos: Csak akkor készít meleg vizet, ha szükséges, és a kinti levegő energiáját használja, ami sokkal olcsóbb, mint a gáz vagy az elektromos fűtés.
Komfort: A rendszer automatikusan váltogat a fűtés és a melegvíz-készítés között, önnek semmit nem kell állítgatnia.

Reneszánsz Kőfaragó Zrt hőszivattyús fűtés
Valós referencia: 1800 m³-es csarnok gázfűtésének kiváltása Power World 72 kW-os hőszivattyúval. Előkészítés, hidraulika, kivitelezés.

Irodaház – hőszivattyús korszak előtt
Irodaház hőszivattyús fűtéskorszerűsítés – terv Amikor a gáz már nem kiszámítható – és kell egy jobb megoldás Budapesten egy több mint 5000 m²-es irodaház tulajdonosai komoly

AERFOR Black Box mennyezeti fan coil
AERFOR prémium BLACK BOX. Elegáns, csendes, tökéletes. Prémium mennyezeti fan coildiszkrét megjelenéssel Az AERFOR SRL Black Box mennyezeti fan coil azoknak készült, akik nem szeretnének kompromisszumot

Mi az a hidrováltó
Mi az a hidrováltó – és miért kulcsfontosságú a hőszivattyús rendszerben? Mi az a hidrováltó (hidraulikus váltó), és mi a szerepe Stabil működés, kevesebb hiba, kiszámítható

Power World H8 Helios Pro Series
PW H8 R290 propán inverteres intelligens hőszivattyúk Power World H8 Helios Pro hőszivattyú – az új generáció 2026-ra (előrendeléssel)! Teljes DC inverter, gyárilag beépített hidraulikai elemek,

H8 Helios Pro – új hőszivattyú 2026-ban
A H8 Helios Pro sorozatot a milánói szakkiállításon láttuk először – az új generációs R290 hőszivattyúk egyik ígéretes szereplője. A H8 Helios Pro sorozat még nincs